

Resistor tipo ET
Resistor tipo ETNI
Resistor tipo ETM
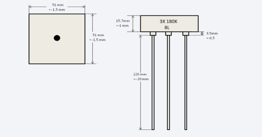
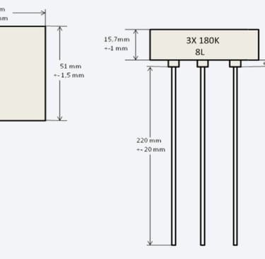
Resistor de Fio Encapsulado Trifásico em Cerâmica Quadrada Branca
Resistor de Fio Encapsulado Trifásico em Cerâmica Quadrada Branca Não Indutivo
Resistor de Metal Filme Encapsulado Trifásico em Cerâmica Quadrada Branca
Descrição
Os Resistores Trifásicos Encapsulados da linha ET, ETNI e ETM, da A QUINTA RESISTORES, foram desenvolvidos para aplicações industriais que exigem controle preciso da dissipação de energia em sistemas polifásicos, aliando robustez mecânica, estabilidade elétrica e segurança operacional.
Os elementos resistivos são montados sobre cerâmica de alta qualidade e, em suas extremidades, são aplicadas tampas metálicas, às quais são soldados fios de cobre com isolamento de silicone, com comprimento definido de acordo com as especificações de cada cliente. O conjunto é encapsulado em cerâmica de alta isolação e selado com resina de silicone, garantindo elevada rigidez dielétrica, excelente estabilidade térmica e proteção completa contra influências externas e solventes agressivos.
Devido à sua construção robusta e confiável, esses resistores são amplamente utilizados como bancos de descarga de capacitores, em sistemas de alívio de energia residual, circuitos de proteção trifásicos, estabilização pós-desligamento e em outras aplicações industriais onde o controle da dissipação de energia é essencial para a segurança e o desempenho do sistema.
ET - Resistores Trifásicos Encapsulados fabricados com fios de ligas especiais, indicados para aplicações gerais de dissipação trifásica que exigem confiabilidade e longa vida útil
ETNI - Resistores Trifásicos Encapsulados Não Indutivos, fabricados com fios de ligas especiais e enrolados de forma a não gerar campo magnético ou elétrico ao redor do resistor, sendo ideais para sistemas sensíveis, bancos de capacitores e circuitos que exigem mínima interferência elétrica.
ETM - Resistores Trifásicos Encapsulados fabricados em metal filme, oferecendo maior estabilidade térmica, baixo ruído elétrico e comportamento mais previsível em variações rápidas de carga e temperatura, indicados para aplicações que demandam maior precisão
Todos os resistores trifásicos da linha ET compartilham características fundamentais, como:
corpo cerâmico de alta isolação
encapsulamento seguro e resistente
excelente dissipação térmica
operação estável em ambiente industriais
compatibilidade com sistemas trifásicos de diferentes portes
A combinação dessas propriedades torna os resistores Trifásicos Encapsulados da Quinta Resistores uma solução confiável, durável e tecnicamente precisa para aplicações industriais que exigem desempenho contínuo, proteção elétrica e controle eficiente da dissipação de energia.


Montagem
Seu formato facilita a montagem em superfícies planas
Seus terminais permitem a montagem horizontal
Vamos construir sua solução juntos
Se você busca resistores de potência confiáveis, sob medida e com entrega rápida, nossa equipe está pronta para ajudar
Telefone
(11) 5621-8520 / 5621-4198 / 5622-0219 / 3586-3109
aquintaresistores@gmail.com


Aplicações
Contato
Rua Salvador Rodrigues Negrão, 141 - CEP: 04401-160 - São Paulo - SP
© 2026 A Quinta Resistores - Todos os direitos reservados
